• Lieferung in 1 - 2 Tagen
  • 100 Tage kostenfreie Rückgabe
  • Versand aus Deutschland
  • Wir liefern Werkzeug seit 2015
  • +1 Mio. Bestellungen
Benny Lucas

Tim und +781.246 BROs nous suivent sur

Description

Contenu de la livraison:

- 100x HECO MULTI MONTI plus MS Vis d'ancrage 7,5 x 60 mm

Description du produit:

La vis d'ancrage MULTI MONTI plus de HECO est un développement ultérieur amélioré de la vis à béton MULTI MONTI. La particularité de la vis est que la vis peut être enfoncée dans un trou pré-percé sans cheville et peut être chargée immédiatement. Grâce à la denture renforcée à la pointe de la vis, un filetage intérieur est vissé dans le matériau de construction. Le résultat est une forme ajustée à travers laquelle l'ancrage a lieu. Le degré élevé de sécurité d'application qui est donné par ce processus protège les utilisateurs et les tournevis. Le MULTI MONTI peut être facilement usiné près du bord sans clé dynamométrique. De plus, la vis peut être démontée et éventuellement réutilisée. Heco est l'un des principaux fabricants de vis et se caractérise par une qualité élevée et une longue tradition.

Spécifications techniques:

Fabricant: HECO
Numéro du fabricant: 52374
Désignation du fabricant: MULTI MONTI plus MS
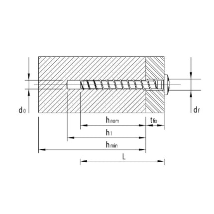
Épaisseur de fixation, tfix1: 5 mm
Épaisseur de fixation, tfix2: 25 mm
Taille du lecteur: T-30
Diamètre du foret, d0: 6,0 mm
Profondeur du trou, h1: 60 mm
Profondeur de perçage, h2: 40 mm
Trou traversant dans la fixation, df: 9 mm
Profondeur de vissage, hnom1: 55 mm
Profondeur de vissage, hnom2: 35 mm
Longueur du filetage, lg: 57 mm
Diamètre de la tête, dk: 17,0 mm
Puissance de sortie maximale recommandée de la clé à chocs, Tmax1: 120 Nm
Épaisseur minimale du composant, hmin: 100 mm
Distance au bord minimale, cmin: 30 mm
Diamètre, d: 7,5 mm
Longueur, l: 60 mm
Conception de la tête: ancrage pour rail de montage avec tête ronde plate
Entraînement: entraînement en T
Surface: bleu galvanisé, A2K
Matériau: acier au carbone

Fiche produit

HECO MULTI MONTI plus MS Vis d'ancrage 7,5 x 60 mm - 100 pièces (2x 52374) vis à béton tête ronde plate T-Drive galvanisé bleu A2K

SKU: 26131 EAN: 4064677024215
    €43,82
    TVA incluse, frais d'envoi en sus
    Direkt ist günstiger für Dich

    Preisvergleichs-Portale und Suchmaschinen verlangen bei jedem Kauf hohe Gebühren – oft über 20 % des Verkaufspreises. Diese Kosten zahlen am Ende immer die Kunden. Wir gehen einen anderen Weg: Statt Werbebudgets an große Plattformen zu zahlen, investieren wir lieber in faire Preise, BROpoints, Geschenke und exklusive Bestpreis-Deals, die Du nur direkt bei uns findest. Ohne Zwischenhändler. Ohne Aufschläge. Direkt für dich.

      100 Tage kostenfreie Retoure Insatisfait ? Retour gratuit sous 100 jours
      • American Express
      • Apple Pay
      • Google Pay
      • PayPal
      • Klarna
      • Mastercard
      • +12 autres
      • Fabricant
      • État  Produit neuf
      Smarte Produktberatung
      Rechnung, Versand & GPSR

      Versand & Rechnung durch: Dinotech e.K.

      Personne responsable de l'UE (GPSR) Opérateur économique établi dans l'UE qui s'assure que le produit est conforme aux réglementations requises.
      • HECO-Schrauben GmbH & Co. KG
      • Dr.-Kurt-Steim-Strasse 28
      • 78713 Schramberg
      • Allemagne
      • +4974229890
      • info@heco-schrauben.de

      Description

      Contenu de la livraison:

      - 100x HECO MULTI MONTI plus MS Vis d'ancrage 7,5 x 60 mm

      Description du produit:

      La vis d'ancrage MULTI MONTI plus de HECO est un développement ultérieur amélioré de la vis à béton MULTI MONTI. La particularité de la vis est que la vis peut être enfoncée dans un trou pré-percé sans cheville et peut être chargée immédiatement. Grâce à la denture renforcée à la pointe de la vis, un filetage intérieur est vissé dans le matériau de construction. Le résultat est une forme ajustée à travers laquelle l'ancrage a lieu. Le degré élevé de sécurité d'application qui est donné par ce processus protège les utilisateurs et les tournevis. Le MULTI MONTI peut être facilement usiné près du bord sans clé dynamométrique. De plus, la vis peut être démontée et éventuellement réutilisée. Heco est l'un des principaux fabricants de vis et se caractérise par une qualité élevée et une longue tradition.

      Spécifications techniques:

      Fabricant: HECO
      Numéro du fabricant: 52374
      Désignation du fabricant: MULTI MONTI plus MS
      Épaisseur de fixation, tfix1: 5 mm
      Épaisseur de fixation, tfix2: 25 mm
      Taille du lecteur: T-30
      Diamètre du foret, d0: 6,0 mm
      Profondeur du trou, h1: 60 mm
      Profondeur de perçage, h2: 40 mm
      Trou traversant dans la fixation, df: 9 mm
      Profondeur de vissage, hnom1: 55 mm
      Profondeur de vissage, hnom2: 35 mm
      Longueur du filetage, lg: 57 mm
      Diamètre de la tête, dk: 17,0 mm
      Puissance de sortie maximale recommandée de la clé à chocs, Tmax1: 120 Nm
      Épaisseur minimale du composant, hmin: 100 mm
      Distance au bord minimale, cmin: 30 mm
      Diamètre, d: 7,5 mm
      Longueur, l: 60 mm
      Conception de la tête: ancrage pour rail de montage avec tête ronde plate
      Entraînement: entraînement en T
      Surface: bleu galvanisé, A2K
      Matériau: acier au carbone

      Warum Kunden uns vertrauen

      Tausende Handwerker und Heimwerker kaufen regelmäßig bei uns ein. Ihre Erfahrungen und Bewertungen helfen dir, die richtige Entscheidung zu treffen.

      • Über 1 Mio. Bestellungen seit 2015 📦
      • Versand aus Deutschland 🇩🇪
      • 100 Tage kostenfreie Retoure 🔙

      Deine Historie

        Connexion

        Mot de passe oublié ?

        Vous n'avez pas encore de compte ?
        Créer un compte