🔋 Obtenez une batterie PROCRAFT 4,0 Ah OFFERTE d'une valeur de 39,99€ !

  • Lieferung in 1 - 2 Tagen
  • 100 Tage kostenfreie Rückgabe
  • Versand aus Deutschland
  • Wir liefern Werkzeug seit 2015
  • +1 Mio. Bestellungen
Benny Lucas

Tim und +781.246 BROs nous suivent sur

Description

Contenu de la livraison :

- 400x chevilles à vis HECO MULTI MONTI plus MS 7,5 x 45 mm

Description du produit:

La vis d'ancrage MULTI MONTI plus de HECO est un développement amélioré de la vis à béton MULTI MONTI. La particularité de la vis est qu'elle peut être enfoncée dans un trou pré-percé sans chevilles et qu'elle est immédiatement élastique. Grâce aux dents renforcées sur la pointe de la vis, un filetage intérieur est vissé dans le matériau de construction. Le résultat est un ajustement positif grâce auquel l’ancrage a lieu. Le haut niveau de sécurité d'application apporté par ce procédé protège les utilisateurs et les tournevis. Le MULTI MONTI peut être facilement usiné près du bord sans clé dynamométrique. De plus, la vis peut être retirée et éventuellement réutilisée. Heco est l'un des principaux fabricants de vis, l'entreprise se caractérise par une qualité élevée et une longue tradition.

Données techniques:

Fabricant : HECO
Numéro du fabricant : 49829
Nom du fabricant : MULTI MONTI plus MS
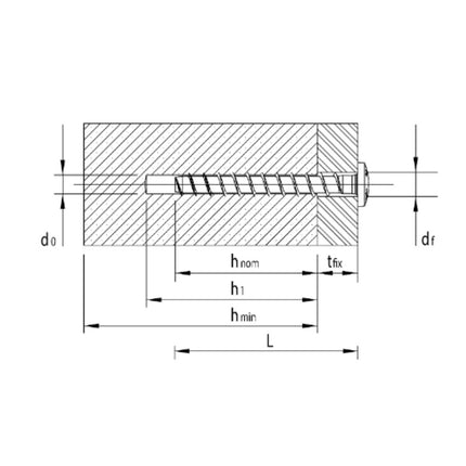
Épaisseur de fixation, tfix1 : 10 mm
Taille du lecteur : T-30
Diamètre du foret, d0 : 6,0 mm
Profondeur du trou de perçage, h1 : 4 0 mm
Trou traversant dans la fixation, df : 9mm
Profondeur de vissage, hnom1 : 35 mm
Longueur du filetage, longueur : 42 mm
Diamètre de la tête, noir : 17,0 mm
Puissance de sortie maximale recommandée de la clé à chocs, Tmax1 : 120 Nm
Épaisseur minimale du composant, hmin : 100mm
Distance minimale au bord, cmin : 30mm
Diamètre, d : 7,5 mm
Longueur, l: 45 mm
Conception de la tête : Ancrage de rail de montage à tête ronde plate
Conduire: T-Drive
Surface: bleu galvanisé, A2K
Matériel: Acier Carbone
Évaluation technique européenne : ETA-15/0785
Classe de résistance au feu : F120/R120
Homologation des arroseurs : Oui
Agrément général des autorités de construction : Z-21.1-2103


En cas d'utilisation commerciale, veuillez respecter les règles de construction !

Fiche produit

HECO MULTI MONTI plus MS vis d'ancrage 7,5 x 45 mm 400 pièces (4x 49829) vis à béton tête ronde plate T-Drive galvanisé bleu A2K

SKU: 26140 EAN: 4064677024123
    €111,71
    TVA incluse, frais d'envoi en sus
    Direkt ist günstiger für Dich

    Preisvergleichs-Portale und Suchmaschinen verlangen bei jedem Kauf hohe Gebühren – oft über 20 % des Verkaufspreises. Diese Kosten zahlen am Ende immer die Kunden. Wir gehen einen anderen Weg: Statt Werbebudgets an große Plattformen zu zahlen, investieren wir lieber in faire Preise, BROpoints, Geschenke und exklusive Bestpreis-Deals, die Du nur direkt bei uns findest. Ohne Zwischenhändler. Ohne Aufschläge. Direkt für dich.

      100 Tage kostenfreie Retoure Insatisfait ? Retour gratuit sous 100 jours
      • American Express
      • Apple Pay
      • Google Pay
      • PayPal
      • Klarna
      • Mastercard
      • +12 autres
      • Fabricant
      • État  Produit neuf
      Conseils produits intelligents
      Facture, expédition & GPSR

      Versand & Rechnung durch: Dinotech e.K.

      Personne responsable de l'UE (GPSR) Opérateur économique établi dans l'UE qui s'assure que le produit est conforme aux réglementations requises.
      • HECO-Schrauben GmbH & Co. KG
      • Dr.-Kurt-Steim-Strasse 28
      • 78713 Schramberg
      • Allemagne
      • +4974229890
      • info@heco-schrauben.de

      Description

      Contenu de la livraison :

      - 400x chevilles à vis HECO MULTI MONTI plus MS 7,5 x 45 mm

      Description du produit:

      La vis d'ancrage MULTI MONTI plus de HECO est un développement amélioré de la vis à béton MULTI MONTI. La particularité de la vis est qu'elle peut être enfoncée dans un trou pré-percé sans chevilles et qu'elle est immédiatement élastique. Grâce aux dents renforcées sur la pointe de la vis, un filetage intérieur est vissé dans le matériau de construction. Le résultat est un ajustement positif grâce auquel l’ancrage a lieu. Le haut niveau de sécurité d'application apporté par ce procédé protège les utilisateurs et les tournevis. Le MULTI MONTI peut être facilement usiné près du bord sans clé dynamométrique. De plus, la vis peut être retirée et éventuellement réutilisée. Heco est l'un des principaux fabricants de vis, l'entreprise se caractérise par une qualité élevée et une longue tradition.

      Données techniques:

      Fabricant : HECO
      Numéro du fabricant : 49829
      Nom du fabricant : MULTI MONTI plus MS
      Épaisseur de fixation, tfix1 : 10 mm
      Taille du lecteur : T-30
      Diamètre du foret, d0 : 6,0 mm
      Profondeur du trou de perçage, h1 : 4 0 mm
      Trou traversant dans la fixation, df : 9mm
      Profondeur de vissage, hnom1 : 35 mm
      Longueur du filetage, longueur : 42 mm
      Diamètre de la tête, noir : 17,0 mm
      Puissance de sortie maximale recommandée de la clé à chocs, Tmax1 : 120 Nm
      Épaisseur minimale du composant, hmin : 100mm
      Distance minimale au bord, cmin : 30mm
      Diamètre, d : 7,5 mm
      Longueur, l: 45 mm
      Conception de la tête : Ancrage de rail de montage à tête ronde plate
      Conduire: T-Drive
      Surface: bleu galvanisé, A2K
      Matériel: Acier Carbone
      Évaluation technique européenne : ETA-15/0785
      Classe de résistance au feu : F120/R120
      Homologation des arroseurs : Oui
      Agrément général des autorités de construction : Z-21.1-2103


      En cas d'utilisation commerciale, veuillez respecter les règles de construction !

      Warum Kunden uns vertrauen

      Tausende Handwerker und Heimwerker kaufen regelmäßig bei uns ein. Ihre Erfahrungen und Bewertungen helfen dir, die richtige Entscheidung zu treffen.

      • Über 1 Mio. Bestellungen seit 2021 📦
      • Versand aus Deutschland 🇩🇪
      • 100 Tage kostenfreie Retoure 🔙

      Deine Historie

        Connexion

        Mot de passe oublié ?

        Vous n'avez pas encore de compte ?
        Créer un compte